СБО 3.2-2 ВрII-1

Чертеж изделия:
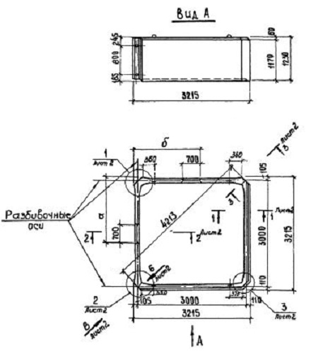
Характеристики изделия:
ПараметрЗначение
Длина3215 мм
Ширина3215 мм
Высота1230 мм
Масса4600 кг
Нормативный документСерия 3.702.1-4

СБО 3.2-2 ВрII-1 Силосный блок объёмный по Серии 3.702.1-4.