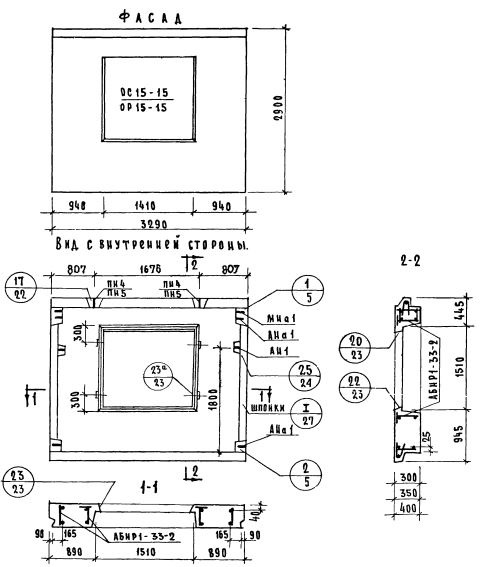
НР1-33.29.3-2

Чертеж изделия:
Характеристики изделия:
ПараметрЗначение
Длина3290 мм
Ширина300 мм
Высота2900 мм
Масса3020 кг
Нормативный документСерия 1.132-1

НР1-33.29.3-2   Наружная стеновая панель рядовая по Серии 1.132-1.